اختيار إضاءة خزانة الملابس
كيفية جعل حساب خزانة الباب
إصلاح عملية طويلة ومن الصعب الحفاظ على كل شيء تحت السيطرة. يعد اختيار وشراء الأثاث مرحلة تنقلك مباشرةً إلى النتيجة السارة لكل الأعمال. ولكن حتى حساب الأبعاد الدقيقة للأثاث وأجزائه يمكن أن يكون مربكا. لمنع هذا ، يجب أن تعرف صحة وتناسق الإجراءات.

أصبحت خزانة الملابس المنزلقة جزءًا لا يتجزأ من الشقق الحديثة نظرًا لوظائفها وراحتها.
إنزلاق خزائن طويلة جدا ودخلت حياتنا بقوة. بساطتها والمتانة وسهولة الوصول والوظائف فازت على الكثير. يعتبر تعريف القياسات مفهومًا تمامًا يوميًا ، لكن حساب حجم أبواب خزانة الملابس يجعلك تتساءل.

أكبر باب المقصورة ، أثقل قماش ، مما يجعل من الصعب التحرك
المحتوى
تحديد ارتفاع باب المقصورة

يمكن الحصول على ارتفاع كوبيه الأبواب المنزلقة بواسطة الصيغة
قد يكون هناك خطأ كبير في أن حساب ارتفاع الباب مطابق لإجراءات القياس للخزانة بأكملها. يمكن أن يكون الخطأ الثاني هو اختيار ارتفاع المنتج نفسه ، والذي يساوي الحد الأقصى لارتفاع الغرفة.

العناصر الهيكلية التي يتكون منها باب حجرة الدعم السفلي
لقياس ارتفاع الافتتاح بشكل صحيح ، يجب اتباع النصائح التالية.
- أخذ القياسات في ثلاث نقاط - جزئين الجانب وفي المركز. عند الحصول على نفس المعلمات ، يمكنك التأكد من سهولة الحساب.

تتم أبعاد الفتح على عدة مستويات لتحديد التناقضات المحتملة للمعلمات.
- تأخذ في الاعتبار فصل بعض العناصر وليس السمة لهم.
- سمك الغطاء
- أبعاد سمك الأدلة السفلى مع تصميم الأسطوانة.
- الفجوة بين الموجهات السفلية والنصل.
- اقرأ الإزالة المطلوبة لتركيب الأبواب (حوالي 14 مم).

تتكون الأبواب الخاصة بخزائن الملابس من إطار - عمودي ، علوي ، سفلي وملء (زجاج / مرآة أو لوح خشب)
دور السكة العلوية للأبواب المقصورة

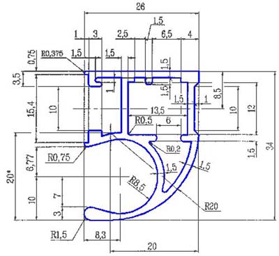
المقطع العرضي للسكة العلوية لأبواب خزانة الملابس
وتتمثل المهمة الرئيسية للمرشدين للخزانة في فتح وإغلاق سهل الوصول. سيكون أساس هذا النظام القضبان ، التي تحرك ورقة. هناك أيضا العديد من التفاصيل الإضافية.

السكك الحديدية العليا - دورها في منع الباب من السقوط
تعتمد أبعاد أدلة الباب تمامًا على أبعاد الأبواب نفسها. في الأساس ، ليست هناك حاجة لشرائها بشكل منفصل عن الأثاث ، لأنها مدرجة. لكن في الحالات التي تكون فيها أنت قد صنعت خزانة ملابس ، أو إذا كان الجزء القديم عاطلاً عن العمل ، فأنت بحاجة إلى قياسه.

المقطع العرضي للسكة السفلى للخزانة
الغرض من السكك الحديدية العليا هو إصلاح الخزانة في الأعلى. وكذلك ، عن طريق بكرات ، حركة الأبواب.

المتغيرات من أبواب المقصورة
يتم تركيبها باستخدام مسامير التقليدية. تسلسل عملية التثبيت.
- بمساعدة مثقاب ، يتم إنشاء ثقب في الدليل نفسه (الحجم 4 مم). المسافة بين كل 30 سم.

إرفاق أدلة مع مسامير مع غسالة الصحافة ، مع خطوة من حوالي 300 ملم
- عند استخدام مسامير عالمية ، من الضروري ، في كل حفرة ، بالإضافة إلى ذلك ، عمل وصلة ربط. هناك حاجة لهذا السحابات البند.
- تغرق في القسم أعدت من مجلس الوزراء.
- محاذاة وتثبيت السحابات (مسامير أفضل).

دليل أسفل - الأبواب تتحرك على طوله
تحديد عرض خزانة الباب

تحديد ارتفاع أبواب مقصورة خزانة الملابس وحساب عرض الأبواب بواسطة الصيغ
تعتمد دقة قياس عرض باب المقصورة على الإجراءات الشكلية التي تعرفها بالفعل. من المهم التحقق من نتائج القياس ، أي القيام بها 3 مرات وفي أجزاء مختلفة. هذا الإجراء البسيط يمكن أن ينقذك من المفاهيم الخاطئة.

تعتمد الأبعاد المحددة لأبواب المقصورة على خيار تحريك اللوحة القماشية وخصائص نظام الانزلاق.
ستتمثل الميزة المميزة لهذه المرحلة في حساب عدد أقسام الأبواب. من الضروري مراعاة التسلسل التالي.
- قياس العرض الكلي للفتحة بأكملها.

فتح لتركيب أبواب المقصورة
- قسم من مؤشر معين على عدد الصمامات.

صيغة لحساب الباب كوبيه
- إلى الشكل الناتج (نتيجة القسمة) ، تتم إضافة المكونات التالية:
- + تداخل بين الأبواب. انه يخفي الفضاء الداخلي.
- + إضافة معينة إلى جانب الباب.

حساب أبواب الكتان كوبيه
حساب حجم التداخل من باب المقصورة من التشكيل الجانبي غير المتماثل

لتداخل الأبواب وعدم التداخل مع بعضها البعض ، من الضروري إزالة السكة الخلفية من الأمام
تم تصميم الجزء المنزلق من الخزانة ليتم استخدامه في الوضع المفتوح والمغلق. من المحتم أن تغطي صورة أحد الصمامات سطح الثانية.
يعد تحديد حجم الأبواب المتداخلة أمرًا بسيطًا: يتم تقسيم عرض الفتحة إلى نصفين (بافتراض أن الخزانة متساوية) وإضافة حجم المقبض. بفضل هذه الحسابات البسيطة ، نحدد عرض التداخل.

حجم تداخل باب الحجرة للملف الجانبي غير المتماثل
شريطة أن يكون المظهر الجانبي غير متماثل ، يتم قياس عرض الفتحة بشكل منفصل للأعلى والأسفل ولكل باب.

غير المتكافئة الشخصي المقطع العرضي
أيضًا ، لسهولة الحساب ، يستخدم بعض الأساتذة قاعدة بسيطة إلى حد ما. يبدو مثل هذا: يجب أن يكون حجم التداخل مساوياً لعرض مقبض الباب.
الظروف التي قد تؤثر على حجم أبواب الكوبيه تتداخل:
- حجم المناسب ؛
- أبعاد التعامل ؛
- عدد الصمامات
- وجود Schlegel (التفاصيل التي تعمل على تخفيف الصدمة عند فتح الباب).
سوف الحسابات المناسبة ضمان الاستخدام المريح للأثاث.

الملف الشخصي المقطع العرضي من مقبض متماثل
حساب صناديق لخزانة الملابس. أبعاد

درج لخزانة الملابس ، منظر علوي
لتحديد حجم الصناديق ، يجب عليك تحديد مكانها. أيضا حسب تقديرها هو اختيار أبعاد مساحة التخزين المستقبلية. بعد هذه "البيانات الجوية" تتحول إلى أرقام. بمساعدة الروليت نجعل القياسات عن طريق القياس مع الباب.

احسب ارتفاع تفاصيل الأدراج
يتكون الصندوق نفسه من شرائط لها سمكها. بسبب هذه التفاصيل ، قد لا يصلح المربع. لذلك يجدر معرفة عرض هذه المادة وأخذها في الاعتبار. في معظم الحالات ، يكون عرض الصندوق أكبر ب 5 مم من الأدلة.
خوارزمية كاملة لحساب حجم خزانة الدرج
- يسلب سماكة القسم المركزي وجوانب العرض الكلي للخزانة.
- من العدد الذي تم الحصول عليه ، قم بطرح عرض المادة وقسمها إلى أقسام.

مكونات مجلس الوزراء
وهكذا ، تعلمنا عرض الرفوف أنفسهم.
لحساب مساحة الأدراج ، من الضروري إزالة حوالي 35 مم من عرض الرف. وهذا هو عرض الدرج في الرف. الحاجة إلى الاستغناء عن الحاجة إلى فتح الصندوق دون تثبيت الباب.
فيديو: حساب أبواب المقصورة
اختيار إضاءة خزانة الملابس
خزانة ملابس حول المدخل - حل أنيق واقتصادي
تصميم خزانة ملابس من الألف إلى الياء
نصنع الأبواب للخزانة افعلها بنفسك
كيفية جعل تعديل أبواب خزانة الملابس المنزلقة
كيفية اختيار خزانة الملابس؟





